RESUMO TEÓRICO
QUESTÕES
UFRGS 1992/56
Usualmente os dispositivos elétricos de residências (lâmpadas, chuveiro, aquecedor) são ligados em ........ e submetidos a diferenças de potencial ........ . Comparando o consumo desses dispositivos, verifica-se que um aquecedor elétrico de 2000 W ligado durante uma hora consome ........ energia elétrica do que uma lâmpada de 60 W ligada durante um dia.
Assinale a alternativa que preenche de forma correta as três lacunas, respectivamente.
UFRGS 1992/57
No circuito elétrico da figura estão ligados uma bateria e três resistores de resistências elétricas \(R_1\), \(R_2\), \(R_3\), sendo \(R_1 > R_2 > R_3\),

Nessa situação,
UFRGS 1992/58
Um voltímetro indica uma força eletromotriz de 6,0 V quando só ele está ligado aos terminais de uma bateria. Em seguida, um resistor de 20,0 \(\Omega\) é também ligado aos terminais da bateria e o voltímetro passa a marcar 5,0 V. A resistência interna do voltímetro é muito maior do que a do resistor, podendo-se considerar desprezível o erro de medida devido à presença do voltímetro no circuito.
Qual a resistência interna da bateria?
UFRGS 1992/59
59. Selecione a alternativa que completa corretamente as lacunas nas seguintes afirmações:
I - No verão, para diminuir a energia dissipada pelo resistor do chuveiro elétrico, costuma-se mudar a posição da chave de "inverno" para "verão", o que equivale a associar um segundo resistor em .......... com aquele ligado para o inverno.
II - Um transformador funciona com corrente elétrica .......... .
III - Uma lâmpada de filamento com as indicações "60 W" e "220 V" consome .......... do que 60 J/s quando ligada a uma rede de 120 V.
UFRGS 1993/62
Selecione a alternativa que completa corretamente as lacunas nas seguintes afirmações:
I - Para ligar um aparelho elétrico de 120 V em uma residência onde a tensão da rede elétrica é de 220 V, usa-se um transformador. Esse transformador funciona porque a corrente elétrica é .......... .
II - Ao ligar-se um conjunto de lâmpadas de filamento coloridas para iluminar um pinheirinho de Natal, uma delas "queimou" (rompeu o filamento). Como as demais lâmpadas continuaram acesas, conclui-se que elas estão ligadas em .......... .
III - Quando se precisa aumentar a temperatura de um ferro elétrico de passar roupas, gira-se o botão do resistor no sentido em que a sua resistência elétrica .......... .
UFRGS 1993/63
A potência dissipada em 20 cm de um fio condutor é de 80 W quando seus extremos estão conectados a uma bateria ideal de 12 V. Qual a potência dissipada em 50 cm desse mesmo fio quando ligado nessa bateria?
UFRGS 1993/64 e 65
Instrução: As questões de números 64 e 65 referem-se à seguinte situação:
Duas pilhas idênticas, de 1,5 V cada uma e resistência interna desprezível, são ligadas a uma lâmpada de lanterna L, conforme mostra a figura.

UFRGS 1993/64
Qual a energia que deve ser fornecida por cada pilha para que uma quantidade de carga elétrica de 100 C passe pela lâmpada?
UFRGS 1993/65
Quando uma das pilhas é desconectada,
UFRGS 1994/55
Os pontos A, B, C, D e E da figura abaixo estão ligados por fios condutores metálicos de igual comprimento e espessura, feitos do mesmo material, constituindo, cada um, uma resistência não desprezível. O circuito principal é percorrido por uma corrente contínua \( I \).

Nesta situação, a corrente elétrica
UFRGS 1994/56
Para o circuito elétrico da figura abaixo, qual o valor da diferença de potencial entre os pontos A e B?

UFRGS 1994/57
Uma bateria ideal, capaz de manter entre seus terminais uma diferença de potencial fixa \(V\), é ligada a uma resistência \(R\). Nesta situação, uma potência \(P_0\) é dissipada na resistência. Se uma segunda resistência, de mesmo valor, for ligada em série com a primeira, a potência dissipada em cada uma das resistências será
UFRGS 1994/58
Verifica-se que a diferença de potencial \( V \) entre os terminais de uma fonte de corrente contínua depende da intensidade da corrente \( I \), que circula no circuito, de acordo com o gráfico abaixo.
Pode-se afirmar que a fonte dissipa internamente:
UFRGS 1994/59
Quatro pilhas idênticas, de 1,5 V cada uma e de resistência interna desprezível, são ligadas a uma lâmpada de filamento, L, conforme mostra a figura.

Supondo que a resistência do filamento da lâmpada seja igual a 40 \(\Omega\), quanto tempo será preciso esperar até que 3 C de carga elétrica tenham passado pela lâmpada?
UFRGS 1994/61
Assinale a alternativa INCORRETA:
UFRGS 1995
Instrução: O enunciado e a figura referem-se às questões de números 21 e 22.
Na figura, R representa um resistor variável, cuja resistência pode ser alterada desde zero até um valor máximo igual a \(2 \cdot 10^4 \Omega\), \(R_1 = 10^4 \Omega\) e \(R_2 = 2 \cdot 10^4 \Omega\).

UFRGS 1995/21
Quais são, respectivamente, as intensidades máxima e mínima da corrente elétrica \( i \) que passa em \( R_1 \)? \( (\text{1 mA } = 10^{-3} \text{A} )\)
UFRGS 1995/22
Para o caso em que \( R = 0 \), qual é a potência elétrica total fornecida pela fonte de tensão, supondo que a sua resistência interna seja desprezível?
UFRGS 1996/21
Somando-se as cargas dos elétrons livres contidos em 1 cm³ de um condutor metálico, encontra-se aproximadamente -1,1 x 10⁴ C. Esse metal foi utilizado na construção de um fio e nele se fez passar uma corrente elétrica com intensidade de 1A. Quanto tempo, aproximadamente, deve-se esperar para que passe pela secção reta transversal do fio a quantidade de carga igual a 1,1 x 10⁴ C?
UFRGS 1996/22
Quatro resistores iguais são associados em série; a associação é submetida a uma diferença de potencial elétrico \( V \). Os mesmos quatro resistores são em seguida associados em paralelo e submetidos à mesma diferença de potencial elétrico \( V \). Assim sendo, a intensidade da corrente elétrica em um resistor da associação em série é ............ intensidade da corrente elétrica em um resistor da associação em paralelo; a potência elétrica total dissipada na associação em série é ............ potência elétrica total dissipada na associação em paralelo.
Qual das alternativas abaixo preenche corretamente, na ordem, as duas lacunas?
UFRGS 1996/23
Um gerador possui uma força eletromotriz de 10 V. Quando os terminais do gerador estão conectados por um condutor com resistência desprezível, a intensidade da corrente elétrica no resistor é 2 A. Com base nessas informações, analise as seguintes afirmativas.
I - Quando uma lâmpada for ligada aos terminais do gerador, a intensidade da corrente elétrica será 2 A.
II - A resistência interna do gerador é 5 \( \Omega \).
III - Se os terminais do gerador forem ligados por uma resistência elétrica de 2 \( \Omega \), a diferença de potencial elétrico entre eles será menor do que 10 V.
Quais afirmativas estão corretas?
UFRGS 1996/24
No circuito representado na figura abaixo, a fonte tem força eletromotriz de 30 V e resistência interna desprezível. Os resistores têm resistências \( R_1 = 20 \, \Omega \) e \( R_2 = R_3 = 60 \, \Omega \).

A intensidade da corrente no resistor 2 e a potência elétrica dissipada no resistor 1 valem, respectivamente,
UFRGS 1997/20
Quando uma diferença de potencial é aplicada aos extremos de um fio metálico, de forma cilíndrica, uma corrente elétrica \( i \) percorre esse fio. A mesma diferença de potencial é aplicada aos extremos de outro fio, do mesmo material, com o mesmo comprimento mas com o dobro do diâmetro. Supondo os dois fios à mesma temperatura, qual será a corrente elétrica no segundo fio?
UFRGS 1997/21
Considere o circuito elétrico representado na figura abaixo.

Selecione a alternativa que preenche corretamente as lacunas na afirmativa seguinte:
Com a chave C aberta, a corrente elétrica que passa pela resistência de \( 20 \, \Omega \) é de ..................; com a chave C fechada, a corrente elétrica que passa pela resistência de \( 20 \, \Omega \) é de .................. .
UFRGS 1997/22
O rótulo de um chuveiro elétrico indica 4500 W e 127 V. Isso significa que, ligado a uma rede elétrica de 127 V, o chuveiro consome
UFRGS 1998/21
O rótulo de uma lâmpada contém a seguinte inscrição: "120 V, 60 W". Quando submetida à tensão indicada de 120 V, a resistência elétrica dessa lâmpada é
UFRGS 1998/22
No circuito da figura abaixo, o amperímetro \(A\) registra uma corrente \(i = 0,2 \, \text{A}\). Cada um dos três resistores representados na figura tem resistência \(R = 40 \, \Omega\). Qual é a potência dissipada pelo par de resistores associados em paralelo?

UFRGS 1998/23
Quando a chave C está fechada, o circuito da figura abaixo é percorrido por uma corrente elétrica, observando-se no ponto P um campo magnético de módulo B. (Considere que o campo magnético terrestre pode ser desprezado.)

Se os dois resistores do circuito forem substituídos por dois outros, cada um com resistência R/2, o módulo do campo magnético observado no ponto P será
UFRGS 1999/19
Um resistor cuja resistência é constante dissipa 60 mW quando é submetido a uma diferença de potencial de 220 V. Se for submetido a uma diferença de potencial de 110 V, a potência dissipada por esse resistor será
UFRGS 1999/20
A figura abaixo representa um circuito elétrico alimentado por uma fonte ideal.

Assinale a alternativa que fornece o valor correto do módulo da diferença de potencial entre os pontos A e B desse circuito.
UFRGS 2000/18 e 19
Instrução: As questões de números 18 e 19 referem-se ao circuito elétrico representado na figura abaixo, no qual todos os resistores têm a mesma resistência elétrica \( R \).

UFRGS 2000/18
Em qual dos pontos assinalados na figura a corrente elétrica é mais intensa?
UFRGS 2000/19
Qual dos resistores está submetido à maior diferença de potencial?
UFRGS 2001/18
Nos circuitos representados na figura abaixo, as lâmpadas 1, 2, 3, 4 e 5 são idênticas. As fontes que alimentam os circuitos são idênticas e ideais.



Considere as seguintes afirmações sobre o brilho das lâmpadas.
I - As lâmpadas 1, 4 e 5 brilham com mesma intensidade.
II - As lâmpadas 2 e 3 brilham com mesma intensidade.
III - O brilho da lâmpada 4 é maior do que o da lâmpada 2.
Quais estão corretas?
UFRGS 2001/19
No circuito representado na figura abaixo, a intensidade da corrente elétrica através do resistor de \(2 \Omega\) é de \(2 \text{ A}\). O circuito é alimentado por uma fonte de tensão ideal \(\varepsilon\).

Qual o valor da diferença de potencial entre os terminais da fonte?
UFRGS 2002/17
Os fios comerciais de cobre, usados em ligações elétricas, são identificados através de números de bitola. À temperatura ambiente, os fios 14 a 10, por exemplo, têm áreas de seção reta iguais a 2,1 mm² e 5,3 mm², respectivamente. Qual é, àquela temperatura, o valor aproximado da razão \( \frac{R_{14}}{R_{10}} \) entre a resistência elétrica, \( R_{14} \), de um metro de fio 14 e a resistência elétrica, \( R_{10} \), de um metro de fio 10?
UFRGS 2002/18
Selecione a alternativa que preenche corretamente as lacunas no parágrafo abaixo.
Para fazer funcionar uma lâmpada de lanterna, que traz as especificações 0,9W a 6V, dispõe-se, como única fonte de tensão, de uma bateria de automóvel de 12V. Uma solução para compatibilizar esses dois elementos de circuito consiste em ligar a lâmpada à bateria (considerada uma fonte ideal) em com um resistor em ......... cuja resistência elétrica seja no mínimo de ............ .
UFRGS 2002/19
No circuito elétrico abaixo, os amperímetros A1, A2, A3 e A4, a fonte de tensão e os resistores são todos ideais.

Nessas condições, pode-se afirmar que
UFRGS 2003/15
O gráfico abaixo mostra a curva volt-ampère de uma lâmpada incandescente comum. A lâmpada consiste basicamente de um filamento de tungstênio que, dentro de um bulbo de vidro, está imerso em um gás inerte. A lâmpada dissipa 60 W de potência, quando opera sob tensão nominal de 120 V.

Com base no gráfico e nas características da lâmpada, é correto afirmar que
UFRGS 2003/16
No circuito elétrico abaixo, a fonte de tensão é uma bateria de força eletromotriz igual a 12 V, do tipo que se usa em automóveis. Aos polos, A e B, dessa bateria está conectada uma resistência externa \( R \). No mesmo circuito, \( r \) representa a resistência interna da bateria, e \( V \) é um voltímetro ideal ligado entre os polos da mesma.

Indique qual dos gráficos abaixo melhor representa a leitura \( V \) do voltímetro, como função do valor \( R \) da resistência externa.
-python.png)
-python.png)
-python.png)
-python.png)
-python.png)
UFRGS 2003/17
No circuito abaixo, todos os resistores têm resistências idênticas, de valor 10 \(\Omega\). A corrente elétrica \(i\), através de \(R_2\), é de 500 mA. A fonte, os fios e os resistores são todos ideais.
Selecione a alternativa que indica o valor correto da diferença de potencial a que está submetido o resistor \(R_1\).
UFRGS 2004/18
Selecione a alternativa que preenche corretamente as lacunas do texto abaixo, na ordem em que elas aparecem.
As correntes elétricas em dois fios condutores variam em função do tempo de acordo com o gráfico mostrado abaixo, onde os fios estão identificados pelos algarismos 1 e 2.

No intervalo de tempo entre zero e 0,6 s, a quantidade de carga elétrica que atravessa uma seção transversal do fio é maior para o fio ........ do que para o outro fio; no intervalo entre 0,6 s e 1,0 s, ela é maior para o fio ........ do que para o outro fio; e no intervalo entre zero e 1,0 s, ela é maior para o fio ........ do que para o outro fio.
UFRGS 2004/19
Selecione a alternativa que preenche corretamente as lacunas do texto abaixo, na ordem em que elas aparecem.
Um galvanômetro é um aparelho delicado e sensível capaz de medir uma corrente elétrica contínua, \( I \), muito pequena, da ordem de alguns microamperes ou, quando muito, miliamperes. Para medir correntes elétricas maiores do que essas, usa-se um amperímetro, que é um galvanômetro modificado da maneira representada na figura abaixo.

Constrói-se um amperímetro a partir de um galvanômetro, ligando-se a resistência interna \( R_G \) do galvanômetro em paralelo com uma resistência \( R_S \), chamada de shunt (palavra inglesa que significa desvio). Assim, para se obter um amperímetro cuja "corrente de fundo de escala" seja 10 vezes maior do que a do galvanômetro usado, ______ da corrente elétrica \( I \) deverá passar pelo galvanômetro, e o valor de \( R_S \) deverá ser ______ do que o valor de \( R_G \).
(Dado: A "corrente de fundo de escala" é o valor máximo de corrente elétrica que o amperímetro ou o galvanômetro podem medir.)
UFRGS 2005/16
Para iluminar sua barraca, um grupo de campistas liga uma lâmpada a uma bateria de automóvel. A lâmpada consome uma potência de 6 W quando opera sob uma tensão de 12 V. A bateria traz as seguintes especificações: 12 V, 45 A h, sendo o último valor a carga máxima que a bateria é capaz de armazenar. Supondo-se que a bateria seja ideal e que esteja com a metade da carga máxima, e admitindo-se que a corrente fornecida por ela se mantenha constante até a carga se esgotar por completo, quantas horas a lâmpada poderá permanecer funcionando continuamente?
UFRGS 2005/17
No circuito elétrico representado na figura abaixo, a fonte de tensão é uma fonte ideal que está sendo percorrida por uma corrente elétrica contínua de 1,0 A.

Quanto valem, respectivamente, a força eletromotriz \( \varepsilon \) da fonte e a corrente elétrica \( i \) indicadas na figura?
UFRGS 2005/22
Certo instrumento de medida tem um ponteiro \(P\) cuja extremidade se move sobre uma escala espelhada \(EE'\), graduada de \(0,0\) a \(10,0\) mA. Quando se olha obliquamente para a escala - o que é um procedimento incorreto de medida -, o ponteiro \(P\) é visto na posição indicada na figura abaixo, sendo \(R\) sua reflexão no espelho.

Se a leitura do instrumento for feita corretamente, seu resultado será
UFRGS 2006/16 e 17
Instrução: As questões 16 e 17 referem-se ao enunciado que segue.
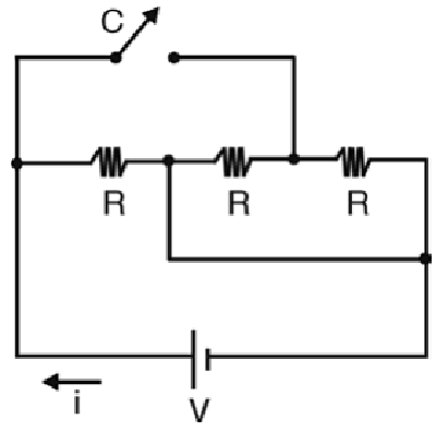
A figura abaixo representa um circuito elétrico com três resistores idênticos, de resistência \( R \), ligados a uma fonte ideal de força eletromotriz \( V \). (Considere desprezível a resistência elétrica dos fios de ligação.)

UFRGS 2006/16
Quanto vale a corrente elétrica \( i \), indicada no circuito, quando a chave \( C \) está aberta?
UFRGS 2006/17
Quanto vale a corrente elétrica \( i \), indicada no circuito, quando a chave \( C \) está fechada?
UFRGS 2006/18
O circuito a seguir representa três pilhas ideais de 1,5 V cada uma, um resistor \( R \) de resistência elétrica 1,0 \( \Omega \) e um motor, todos ligados em série.
(Considere desprezível a resistência elétrica dos fios de ligação do circuito.)

A tensão entre os terminais \( A \) e \( B \) do motor é 4,0 V. Qual é a potência elétrica consumida pelo motor?
UFRGS 2007/17
Assinale a alternativa que preenche corretamente as lacunas do texto abaixo, na ordem em que aparecem. No circuito esquematizado na figura que segue, as lâmpadas A e B são iguais e as fontes de tensão são ideais.
Quando a chave C é fechada, o brilho da lâmpada A ........ e o brilho da lâmpada B ........
UFRGS 2008/14
Um secador de cabelo é constituído, basicamente, por um resistor e um soprador (motor elétrico). O resistor tem resistência elétrica de 10 \( \Omega \). O aparelho opera na voltagem de 110 V e o soprador tem consumo de energia desprezível.
Supondo-se que o secador seja ligado por 15 min diariamente, e que o valor da tarifa de energia elétrica seja de R\$0,40 por kWh, o valor total do consumo mensal, em reais, será de aproximadamente
UFRGS 2008/15
Observe o circuito esquematizado na figura abaixo.
Se o ramo que contém a resistência \( R_4 \) fosse retirado, a resistência equivalente seria
UFRGS 2009/15
Um LDR (Light Dependent Resistor) é um dispositivo elétrico cuja resistência elétrica varia com a intensidade da luz que incide sobre ele.
No circuito esquematizado abaixo, estão representados uma fonte ideal de tensão elétrica contínua (\( \varepsilon \) ), um resistor com resistência elétrica constante (\( R \) ) e um LDR. Nesse LDR, a resistência elétrica é função da intensidade luminosa, diminuindo quando a intensidade da luz aumenta.
Numa determinada condição de iluminação, o circuito é percorrido por uma corrente elétrica (\( i \)).
Assinale a alternativa que preenche corretamente as lacunas do texto abaixo, na ordem em que aparecem.
Se a intensidade da luz incidente sobre o LDR aumenta, a corrente elétrica no circuito ________, e a diferença de potencial no resistor (\( R \)) ________.
UFRGS 2010/18
Voltímetros e amperímetros são os instrumentos mais usuais para medições elétricas. Evidentemente, para a obtenção de medidas corretas, esses instrumentos devem ser conectados de maneira adequada. Além disso, podem ser danificados se forem conectados de forma incorreta ao circuito.
Suponha que se deseja medir a diferença de potencial a que está submetido o resistor \( R_2 \) do circuito abaixo, bem como a corrente elétrica que o percorre.
Assinale a figura que representa a correta conexão do voltímetro (V) e do amperímetro (A) ao circuito para a realização das medidas desejadas.

UFRGS 2011/16
Considere o circuito abaixo.
Neste circuito, todos os resistores são idênticos, e \(C_1\) e \(C_2\) são dois interruptores que podem estar abertos ou fechados, de acordo com os esquemas numerados a seguir.
| Estado | (1) | (2) | (3) | (4) | ||||
|---|---|---|---|---|---|---|---|---|
| \(C_1\) | \(C_2\) | \(C_1\) | \(C_2\) | \(C_1\) | \(C_2\) | \(C_1\) | \(C_2\) | |
| Aberto | X | X | X | X | ||||
| Fechado | X | X | X | |||||
Assinale a alternativa que apresenta corretamente o ordenamento dos esquemas de ligação, em ordem crescente da corrente elétrica que passa no resistor \(R_4\).
UFRGS 2012/16
Considere o circuito abaixo.

No circuito, por onde passa uma corrente elétrica de 4 A, três resistores estão conectados a uma fonte ideal de força eletromotriz de 20 V.
Os valores da resistência total deste circuito e da resistência \( R_x \) são, respectivamente,
UFRGS 2013/21
A figura abaixo representa um dispositivo eletrônico \(D\) conectado a uma bateria "recarregável" \(B\), que o põe em funcionamento. \(i\) é a corrente elétrica que aciona \(D\).

A respeito desse sistema, considere as seguintes afirmações:
I - As cargas elétricas de \(i\) são consumidas ao atravessarem \(D\).
II - O processo de "recarga" não coloca cargas em \(B\).
III - Toda a carga elétrica que atravessa \(D\) origina-se em \(B\).
Quais estão corretas?
UFRGS 2014/20
Observe o segmento de circuito.
![]()
No circuito, \( V_A = -20 \, V \) e \( V_B = 10 \, V \) são os potenciais nas extremidades \( A \) e \( B \); e \( R_1 = 2 \, k\Omega \), \( R_2 = 8 \, k\Omega \) e \( R_3 = 5 \, k\Omega \) são os valores das resistências elétricas presentes. Nessa situação, os potenciais nos pontos \( a \) e \( b \) são, respectivamente,
UFRGS 2014/21
Considere o circuito formado por três lâmpadas idênticas ligadas em paralelo à bateria, conforme representa a figura (1).

Como a chave \( C \) foi aberta na figura (2), considere as afirmações abaixo sobre a figura (2), em comparação à situação descrita na figura (1).
I - A potência fornecida pela bateria é a mesma.
II - A diferença de potencial aplicada a cada lâmpada acesa é a mesma.
III - As correntes elétricas que percorrem as lâmpadas acesas são menores.
Quais estão corretas?
UFRGS 2015/16
No circuito esquematizado abaixo, \( R_1 \) e \( R_2 \) são resistores com a mesma resistividade \( \rho \). \( R_1 \) tem comprimento \( 2L \) e seção transversal \( A \), e \( R_2 \) tem comprimento \( L \) e seção transversal \( 2A \).

Nessa situação, a corrente elétrica que percorre o circuito é
UFRGS 2015/19
Um campo magnético uniforme \( B \) atravessa perpendicularmente o plano do circuito representado abaixo, direcionado para fora desta página. O fluxo desse campo através do circuito aumenta à taxa de \( 1 \, \text{Wb/s} \).

O fluxo desse campo através do circuito aumenta à taxa de \( 1 \, \text{Wb/s} \).
Nessa situação, a leitura do amperímetro \( A \) apresenta, em ampères,
UFRGS 2016/16
16. O gráfico abaixo apresenta a curva corrente elétrica \(i\) versus diferença de potencial \(V\) para uma lâmpada de filamento.
Sobre essa lâmpada, considere as seguintes afirmações.
I - O filamento da lâmpada é ôhmico.
II - A resistência elétrica do filamento, quando ligado em 6 V, é 6 \( \Omega\).
III - A potência dissipada pelo filamento, quando ligado em 8 V, é 0,15 W.
Quais estão corretas?
UFRGS 2017/16
A diferença de potencial entre os pontos (i) e (ii) do circuito abaixo é \( V \).
Considerando que todos os cinco resistores têm resistência elétrica \( R \), a potência total por eles dissipada é
UFRGS 2018/16
Uma fonte de tensão cuja força eletromotriz é de 15 V tem resistência interna de 5 Ω. A fonte está ligada em série com uma lâmpada incandescente e com um resistor. Medidas são realizadas e constata-se que a corrente elétrica que atravessa o resistor é de 0,20 A, e que a diferença de potencial na lâmpada é de 4 V. Nessa circunstância, as resistências elétricas da lâmpada e do resistor valem, respectivamente,
UFRGS 2020/16
No circuito da figura abaixo, todas as fontes de tensão são ideais e de 10 V, e todos os resistores são de 4 Ω.

Quando a chave C for fechada, a potência, em W, dissipada no resistor R, será de
UFRGS 2022/28
Considere o circuito resistivo, representado na figura abaixo.
Sendo \( R_1 = R_3 = 2 \, \Omega \) e \( R_2 = 1 \, \Omega \), a corrente elétrica \( i \), em \( R_2 \), é de
UFRGS 2023/26
26. Uma fonte possui tensão nominal (de circuito aberto) \(V\) e resistência interna \(R_i\), e é colocada como componente do circuito indicado na figura. A tabela apresenta valores da corrente \(I\) que percorre o circuito, para dois valores da resistência \(R\).

| \( R \, (\Omega) \) | \( I \, (A) \) |
|---|---|
| 2,5 | 4 |
| 3,5 | 3 |
A partir desses dados, assinale a alternativa que melhor representa os valores de \(V\) (em volts) e de \(R_i\) (em ohms), respectivamente.